焦化废气含有沥青烟、苯并芘及苯类等有害物质,如果直接排放,会造成大气污染,影响当地的生态环境。因此,对焦化废气进行处理并使其达标排放,是焦化行业可持续发展的必然要求。……
2020-06 17
蓄热式燃烧分解设备(RTO)是一种高效有机废气治理设备。与传统的催化燃烧、直燃式热氧化炉(TO)相比,具有热效率高、运行成本低、能处理大风量低浓度废气等特点。本文对RTO及相关设施危害因……
2020-06 15
蓄热式催化氧化 RCO、蓄热式热力焚烧 RTO 废气治理技术,是目前能够实现 VOCs 达标排放的有效技术。两种技术从去除率、达标能力上来讲是一致的,但毕竟是两种截然不同的技术,在许多方面还……
2020-06 09
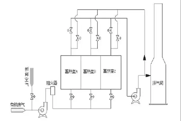
目前,在国内应用广泛、工艺技术较为成熟的蓄热式热氧化炉(RTO)主要为三室RTO,即RTO分为三个蓄热室,其中蓄热室填充床为耐热、耐腐蚀的陶瓷材料填充,确保RTO热回收率在95%以上,以便更好……
2020-05 19
蓄热式催化氧化 RCO(Regeneration Catalytic Oxidizer)、蓄热式热力焚烧 RTO (Regenerative Thermal Oxidezer)废气治理技术,是目前能够实现 VOCs达标排放的成熟技术。……
2019-11 08
2019年,有机废气VOCs督查严,很多涉及废气排放的企业都对车间的废气进行了处理,有机废气VOCs处理设备也走进了各行各业的生产车间。RTO废气净化设备适合处理中高浓度废气,朴华科技三室……
2019-11 08
有机废气净化燃烧氧化法(RTO)是基于废气中有机化合物可以燃烧氧化的特性,其目的是:通过燃烧氧化将废气中可以氧化的组分转化为无害物质,在废气中含碳氢化合物的情况下,即转化为CO2和……
2019-11 07
2019年,有机废气VOCs督查严,很多涉及废气排放的企业都对车间的废气进行了处理,有机废气VOCs处理设备也走进了各行各业的生产车间。RTO废气净化设备适合处理中高浓度废气,朴华科技三室……
2019-11 07
现在市面上催化燃烧设备RCO有很多且价格差异较大,阻碍我们选择更为合规有效的产品。什么是催化燃烧?催化燃烧、RCO和RTO什么关系?催化燃烧常用在什么行业?催化燃烧目前市场上都有哪些材质?催化燃烧设备如何选择?催化燃烧一体机和催化燃烧组装机的区别在哪里?朴华科技今天给大家详细的分析分析。一、什么是催化燃烧?可燃烧废……
2019-08 28
近几年国家对环境治理的力度日益加大,对有机废气排放的标准要求也越来越高,大部分地区要求 VOCs 排放浓度低于 30 mg/m3。高标准政策下,对有机废气处理设备的技术性能要求也有了大幅度提……
2019-08 16